FET 差動バランス型ヘッドホンアンプ
| 製作記事 | 回路図 |

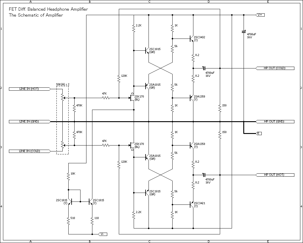
 回路図
FET Diff. Balanced Headphone Amplifier, The Schematic of Power Supply
FET Diff. Balanced Headphone Amplifier, The Schematic of Power Supply

| Slemanique | Audio | FET 差動バランス型ヘッドホンアンプ |